油烟在线监测解决方案服务商

网站首页 产品中心 解决方案 关于贝思兰

了解更多油烟监测价值资讯,尽在贝思兰
行业新闻
西安市餐饮油烟在线监测设备安装联网 技术指导意见
来源: 时间:2022-01-24

1.1油烟污染物在线监测系统

对餐饮服务单位排放的油烟、非甲烷总烃的排放浓度,排油烟净化设施的运行工况参数进行连续、实时的自动监测所需全部软硬件设备,简称OMS。

1.2系统响应时间

系统响应时间指从餐饮业油烟污染物在线监测设备采样探头通入标准气体的时刻起,到分析仪器示值达到标准气体标称值90%的时刻止,中间的时间间隔。包括管线传输时间和仪表响应时间。

1.3终端监测设备

现场在线测量油烟、非甲烷总烃浓度数值,风机和净化器电流值,测量静电式净化器的荷电器和收集器的工作电压、工作电流及工作功率等相关参数的在线分析仪器。

1.4准确度

被测量的测得值与其真值之间的一致程度。

1.5油烟在线监测技术

除深圳市地标《饮食业油烟排放控制规范》(SZDB/Z 254—2017)规定了适用的油烟污染物在线监测方法外,尚无国家标准或规范规定了油烟污染物在线监测方法,目前国内餐饮油烟常见的在线监测方法有“开关状态监视”、“气敏传感器监测”、“光散射监测”、“PID传感器监测”、“NDIR传感器”、“FID传感器”、“电化学传感器监测”等测量方法,结合实际工作,推荐使用光散射(检测油烟)+电化学传感器(检测VOCs)作为检测器的在线监测设备。

1.5.1开关状态监视

早期最常见的油烟在线监测设备,其原理是在油烟风机以及油烟净化设备的电路上安装互感器,利用风机以及净化设备工作时在互感器上产生的电信号判断风机以及净化设备是否工作,衍生了所谓“联动”概念——风机与净化设备同时开启为联动,在线监测则判断为正常,否则就判断为不正常,即为俗称的“工况法”。

1.5.2光散射监测

光散射检测分为“光粒子计数器”与“粒子集合光散射”两类。油烟细颗粒物在烟管内部传输时成分稳定,粒径谱偏移量小,且颗粒物形状呈球形,表面光散射特性非常稳定,非常适合采用“粒子集合光散射法”进行表面积浓度测量后换算成油烟细颗粒物质量浓度,其优点是装置简单,测量下限低、精度高,可以获得测量结果与感官判断(目测烟雾)高度一致地实际效果,因此非常适用于对餐饮油烟颗粒物进行实时在线监测。其缺点是对油烟大颗粒的响应度低。“粒子集合光散射”法用于油烟在线监测时其传感器设计必须避免油烟颗粒物对光源以及透镜、光敏器件表面的污染,否则会发生严重的量程漂移现象。

1.5.3电化学传感器

电化学传感器通过与被测气体发生反应并产生与气体浓度成正比的电信号来工作。典型的电化学传感器由传感电极(或工作电极)和反电极组成,并由一个薄电解层隔开。在实际中,由于电极表面连续发生电化学发应,传感电极电势并不能保持恒定,在经过一段较长时间后,它会导致传感器性能退化。为改善传感器性能,人们引入了参考电极。参考电极安装在电解质中,与传感电极邻近。固定的稳定恒电势作用于传感电极。参考电极可以保持传感电极上的这种固定电压值。参考电极间没有电流流动。气体分子与传感电极发生反应,同时测量反电极,测量结果通常与气体浓度直接相关。施加于传感电极的电压值可以使传感器针对目标气体。电化学传感器性能普遍优于金属氧化物半导体传感器,其造价比PID检测器低,但是远高于金属氧化物半导体传感器,但数据相对准确。

综上所述,推荐使用光散射监测+电化学传感器作为监测技术的在线监测设备,其中使用粒子集合光散射法应满足《饮食业油烟排放控制规范》(SZDB/Z 254—2017)附录B相关要求;使用电化学法检测VOCs的应满足《电化学VOCs气体传感器》(JB/T 13999—2020)相关标准要求。

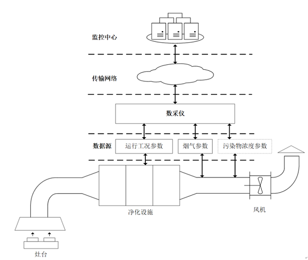
二、系统组成和功能要求

2.1 系统组成

 

图片1

1 油烟污染物在线监测系统组成示意图

 

2.2 功能要求

OMS的数据源中污染物浓度参数包括油烟浓度、非甲烷总烃浓度,运行工况参数包括净化器和风机的工作电流值,静电式净化器的荷电器和收集器的工作电压、工作电流及工作功率等,可扩展烟气参数(如烟气温度、烟气湿度、烟气流速、烟气流量等)。采集数据源通过数字输出接口或模拟接口连接到数采仪,并通过有线或无线方式与监控中心进行数据传输和通讯(包括发起、数据交换、应答等)。

2.3技术要求

2.3.1外观要求

2.3.1.1铭牌

OMS应具有产品铭牌,铭牌上应标有仪器名称、型号、生产单位、出厂编号、制造日期、电源规格、主要参数量程等信息。

2.3.1.2外表

OMS表面应完好无损,无明显缺陷,各零、部件连接可靠,各操作键、按钮使用灵活,定位准确。

2.3.1.3面板

OMS主机面板显示清晰,涂色牢固,字符、标识易于识别,不应有影响读数的缺陷。

2.3.1.4外壳

外壳耐腐蚀、密封性能良好、防尘、防雨。防护等级≥IP54。防腐蚀要求≥C5。安装于室外的仪器应配备有相应的环境防护设施。

2.3.1.5工作条件

OMS在以下条件中应能正常工作:

a)环境温度:(-20~60)℃;

b)相对湿度:≤95%;

c)大气压:(80~106)kPa;

d)供电电压:AC(220±22)V,(50±2)Hz

2.3.2 安全要求

2.3.2.1仪器在正常条件和单一故障条件下应满足GB 4793.1-2007的要求,仪器的可触及零部件应符合GB 4793.1-2007中规定,不得出现危险带电。

2.3.2.2终端监测设备在使用环境温度为-20℃~60℃,相对湿度≤95%条件下,电源端子对地或机壳的绝缘电阻不应小于20MΩ。

2.3.2.3终端监测设备在环境温度为-20℃~60℃,相对湿度≤95%条件下,在1500V(有效值)、50Hz正弦波实验电压下持续1min,不应出现击穿或飞弧现象。

2.3.2.4终端监测设备应具有漏电短路保护装置,并具备良好的接地措施。

2.3.2.5激光防护应符合GB7247.1-2012中3B类的规定。

2.3.3 传输要求

系统编码、监控治理工艺编码、排放过程监控监测因子、现场段信息编码、监测因子、通讯命令示例和拆分包及应答机制示例详见《餐饮业废气排放过程(工况)监控数据采集技术指南》(T-CAEPI35-2021)。

2.4设计要求

2.4.1 样品采集和传输设计要求

2.4.1.1 样品采集和传输设备的材质应选用耐臭氧、防腐蚀和不吸附、不与油烟和挥发性有机化合物发生反应的材料,不影响待测污染物的正常测量。

2.4.1.2 样品采集设备应具备防水滴防油滴功能,确保油烟管道内的凝结水与油污不会被采集进入系统终端设备的监测模块。

2.4.1.3 样品传输管线应长度适中,应确保传输管道不会对油烟污染物浓度造成显著的改变。

2.5监测要求

2.5.1 测量因子应符合下列规定:

a)应能实时测量油烟浓度、颗粒物浓度;

b)应能实时测量非甲烷总烃浓度;

c) 应能实时测量风机、净化器电流值及风机净化器开、关状态;

d)应能实时测量静电式净化器的荷电器 和收集器的工作电压、工作电流及工作功率等。

e)可测量其他数据如:烟气温度、烟气湿度、烟气流速、烟气流量等。

2.5.2 参数显示可选配备终端显示屏,或连接其它显示器,并应包括下列功能:

a)检测数值实时显示功能;

b)风机、净化设施开、关状态显示功能;

c)静电式净化器各净化单元的输出电压、输出电流显示功能;

d)网络通断状态显示功能;

e)其它由生产厂家自行设定的数据(如烟气温、湿度、烟气流速、流量等)。

2.5.3 终端监测设备停电复位后,仪器应能自动恢复到原来的工作状态,已测得的检测数据不应丢失。

2.5.4 监测仪接口应包括下列内容:

a)用于输出检测数据或输入其它检测参数(风机净化器工作电流、气体流速流量、气体温湿度等)的RS485或RS232数字接口;

b)用于输入风机、净化设施等其它信号开关量输入接口;可带有显示输出接口;

2.5.5 软件或显示屏设置应包括下列功能:

a)时钟设置功能,应能对校准时钟的频率进行手动调整;

b)曲线分析、菜系分类设置、校准补偿设置,状态报警设置、监测现场系统参数录入(如风机 净化器工作电流、管道截面积、地址等)多参数设置功能;

c)密码管理功能。

2.5.6 终端监测设备应具备手动和自动校零功能。

2.5.7 终端监测设备对收集的数据应存储一年以上,历史数据应能进行查询.

2.6性能要求

2.6.1 响应时间

油烟测量系统响应时间:≤60s;非甲烷总烃测量系统响应时间:≤90s。

2.6.2 准确度

OMS的准确度应满足以下要求:

a)进行油烟监测时,若油烟浓度:

1)≤1.0 mg/m3 OMS测量结果与参比方法测量结果的绝对误差:≤± 0. 35mg/m3 

2)>1.0 mg/m3 OMS测量结果与参比方法测量结果的相对误差:≤± 3 0%。

b)进行非甲烷总烃监测时,OMS测量结果与参比方法测量结果的相对误差:≤±30%。

c)进行静电式净化器各净化单元的输入电压、输入电流、输出电压、输出电流监测时,OMS测量结果与参比方法测量结果的相对误差:≤±5%

2.6.3 零点漂移和量程漂移OMS的零点漂移和量程漂移应满足以下要求:

a)油烟测量系统24h漂移:不超过 ±3%满量程。

b)非甲烷总烃测量系统24h漂移:不超过 ±5%满量程。

2.6.4 其他要求

2.6.4.1油烟监测参比方法可选用GB 18483—2001附录 A或SZDB/Z 254—2017附录 A(两种方法等效)。

2.6.4.2非甲烷总烃监测参比方法为HJ38。

2.6.4.3电压、电流监测参比方法可选用JJF1587-2016及JJG795-2016。

2.6.4.4烟气参数(油烟管道横截面、油烟温度、压力、流速或流量、相对湿度等)的性能要求应符合HJ76相关要求。

2. 7 安装要求

2.7.1 位置要求

2.7.1.1 采样监测探头安装位于油烟污染物净化设备的下游,应优先选择在排烟管道平直部分,应尽量避开油烟管道内壁凝结水滴和油滴的干扰。

2.7.1.2 采样监测探头穿管安装位置应按照 GB/T 16157 的要求确定;现场管道条件无法满足 GB/T 16157要求的,则应避开弯头和断面急剧变化的部位,采用参比方法同步测量后确定其修正系数并录入其修正参数表进行实时修正。

2.7.1.3 采样监测探头穿管安装位置应进行气密性处理,确保排烟管道不漏风。

2.7.1.4 同一餐饮服务单位通过多个烟管汇总排放其油烟污染物时,应将采样监测探头安装在其总排烟管上,不得只在其中的一个烟管上安装监测探头并充当该餐饮服务单位的排放数据;允许在每个烟管上分别安装采样监测探头监控各烟管油烟污染物排放情况。

2.7.1.5 油烟污染物净化设施设置有旁路排烟管道时,应在旁路烟管上安装监测采样探头,其安装、运行、维护、数据采集、记录和传输应符合本文件要求。

2.7.1.6运行工况参数监测时应对静电式净化器的每个净化单元均监测,以便准确诊断故障单元,及时开展运维服务。

2.7.1.7在设备安装前,由平台生成唯一的MN码,并同时生成对应的二维码,将MN码和二维码发送给设备厂商。MN码由设备厂商根据HJ 212协议写入到报文中,生成的二维码为监管部门提供检查依据。

2.7.2 施工要求

2.7.2.1 OMS 终端设备的安装施工应符合 GB 50057、GB 50093、GB 50168 的规定。

2.7.2.2 施工单位应熟悉 OMS 的原理、结构、性能,编制施工方案、施工技术流程图、设备技术文件、设计图样、监测设备及辅助设备安装与交接清单、施工安全细则等有关文件。

2.7.2.3 OMS 终端设备的外壳防护应符合 GB/T 4208 的技术要求,户内达到防护等级 IP24 级,户外达到防护等级 IP54 级。

2.7.2.4 OMS终端设备的工作电源应有良好的接地措施,接地电阻应小于4Ω,且不能和避雷接地线共用。

三、在线监测设备验收(详见附件1)

3.1 总体要求

OMS在完成安装、调试并和主管部门联网后,应进行技术验收,包括监测指标验收和联网验收。

3.2 技术验收条件

a)油烟监测设备应具有环保认证证书及检测报告,油烟的相关准确度指标符合本技术要求;

b)应提供符合本标准技术指标的自检报告、设备性能评估报告等;

c)安装应符合本技术指南要求并应具有设备现场安装信息表、设备自检验收表;

d)应具有有效的产品合格证书和说明书;

e)现场安装后,连续稳定运行72h以上,在线率应达到95%以上;

f)在线监测数据平台联网并完成联网测试,数据采集和传输以及通信协议均应符合HJ 212及T-CAEPI35-2021的要求,或其他智慧环保指挥中心认可的传输方式。

3.3监测指标验收

3.3.1 一般要求

3.3.1.1 验收内容包括油烟、非甲烷总烃监测的系统响应时间、准确度、零点漂移和量程漂移验收。

3.3.1.2 现场验收应包括餐饮服务单位厨房作业高峰时段。

3.3.1.3 日常运行中更换监测设备或变动取样点位时,需重新验收。

3.3.2技术指标验收

3.3.2.1系统响应时间验收

现场验收时,应先做系统设置响应时间的测试,不符合技术要求的,调整后方可继续开展其余项目验收。

3.3.2.2油烟浓度准确度

采用第三方机构现场抽取采样与油烟在线监测设备同步测量同一烟管中排放油烟的平均浓度,至少获取3个10min时间段的测量数据平均值,参比油烟在线监测系统的准确度。

3.3.2.3零点漂移和量程漂移

在验收开始时,测定和记录初始的零点、量程读数,待油烟监测准确度验收结束。距离初始零点、量程测定6h后再次测定和记录一次零点、量程读数,并进行验收判定.

3.3.2.4非甲烷总烃监测技术指标准确度

采用第三方检测机构参比方法与油烟在线监测设备同步测量同一烟管中排放非甲烷总烃的平均浓度值,同步获取3个10min时间段的测量数据,计算非甲烷总烃浓度监测的准确度

3.3.2.5静电净化器运行工况参数技术指标准确度

现场采用万用表、高压衰减棒、钳形表、信号发生器等工具,与油烟在线监测设备同步测量,计算输入电压、输入电流、输出电压、输出电流的测量准确度。

3.3.2.6净化器工作状态

采用人为设置的方法将净化器开机、关机及设置成保护状态下,查阅平台是否能正确真实判定当下净化器工作状态,不符合技术要求的,调整后方可继续开展其余项目验收。

3.4 联网验收

3.4.1 一般要求

OMS的联网验收由通信及数据传输验收、现场数据比对验收和联网稳定性验收三部分组成。验收内容包括油烟、非甲烷总烃监测的系统响应时间、准确度、零点漂移和量程漂移验收。

3.4.2 通信及数据传输验收

按照HJ 212的规定检查通信协议的正确性,数据采集和传输设备与检测之间的通信应稳定,不应该出现经常性的通信连接中断、报文丢失、报文不完整等通信问题。验收时,应先做系统响应时间的验收测试,不符合技术要求的,不再继续开展其余项目验收。

3.4.3 现场数据比对验收

对数据进行抽样检查,随机抽取试运行期间连续的500组监测数据,对比上位机接收到的数据和现场机储的数据,数据传输正确率应大于等于95%。在连续一个月内,数据采集和传输设备能稳定运行,不出现除通信稳定性、通信协议正确数据、数据传输正确性以外的其他联网问题。

3.4.4 联网稳定性验收

3.4.4.1通信稳定性

a)现场机在线率为90%上。掉线后,应在5min之内重新上线;

b)单台数据采集传输仪每日掉线次数在5次内;

c)报文传输稳定性在99%以上,当出现报文错误或丢失时,启动纠错逻辑,要求数据采集传输仪重新发送报文。

3.4.4.2数据传输安全性

a)对所传输的数据应按照HJ212中规定的加密方法进行加密处理传输,保证数据传输的安全性;

b)服务器端对请求连接的客户端进行身份验证。

3.4.4.2通信协议正确性 现场机和上位机的通信协议应符合HJ 212中的规定,正确率100%。

a)数据传输正确性。随机抽取试运行期间连续的500组监测数据,对比上位机接收到的数据和现场机存储的数据,数据传输正确率应大于等于95%。

b)联网稳定性连续一个月内,不出现除通信稳定性,通信协议正确性,数据传输正确性以外的其他问题。

3.4.5 所有验收完毕后,由企业自行填写验收记录表(详见附件1)。

四、运维要求

4.1 至少每30d对OMS终端设备运行状态巡查维护一次并形成巡查维护报告。

4.2 至少每30d校准一次油烟监测设备零点和量程,至少每 30d 校准一次非甲烷总烃监测设备零点和量程,同时测试并记录零点漂移和量程漂移。

4.3安装完毕后做一次准确度校验,校验用参比方法和系统同时段数据进行比对,当校验结果不符合技术规范中相应准确度指标要求时,则应扩展为评估整个系统的技术指标,直至达到要求,所取样品数不少于9对。

4.4每周至少一次全面巡检平台,查看所有企业运行情况,诊断净化器运行状态监控设备是否正常工作,及时发现设备故障问题,筛选运行异常企业,通知餐饮单位进行现场主动问题排查及处理。

4.5平台检测发现设备故障报警,48小时赴现场检查原因,若为人为拆除,反馈我局 并现场修复处理。

4.6油烟浓度探测器、工况检测器必须在安装前约定清洗更换时间,并定期运维保养。